09, 2018
by Site Editor
The laser cutting machines price is usually expensive, ranging from a few hundred thousand to millions. Therefore, as long as possible to extend the life of the laser cutting machine in order to better save production costs and win greater benefits. It is important for the laser cutting machines to do the daily maintenance and maintenance.The stable and normal operation of the machine is inseparable from the normal operation and routine maintenance. The following will introduce the daily maintenance of laser cutting machine:
Water replacing and tank cleaning
Note: Make sure the laser tube is full of circulating water before the machine start to works. The quality and the temperature of the circulating water directly affect the service life of the laser tube. It is recommended to use pure water and control the temperature of the water below 35°C. If more than 35 °C need to replace the circulating water, or add ice cubes to the water to reduce the water temperature, (recommended users to choose the cooler, or use two tanks). Clean the water tank: Firstly, turn off the power and unplug the inlet water pipe so that the water in the laser tube automatically flows into the water tank. Secondly, open the water tank, remove the water pump, and remove the dirt on the water pump. Thirdly, clean the water tank, replace the circulating water, return the water pump to the water tank, insert the water pipe connected to the water pump into the water inlet, and clean the joints. Finally, leave the pump alone and run for 2-3 minutes (make the laser tube full of circulating water).

Blower cleaning
The long-term use of the blower will cause a lot of solid dust to accumulate, and generate a lot of noise, and it is also not conducive to exhaust and deodorize. When there is a lack of suction from the fan, firstly turn off the power, remove the air inlet and outlet ducts from the fan, remove the dust inside, and then turn the fan upside down and pull the blades inside until it is clean. Finally, install the fan.

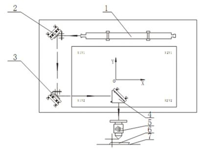
Lens cleaning
In the previous machine description, it has been said that there are three mirrors and one focusing lens on the laser engraving machine (the first reflector is located at the exit of the laser tube, that is, the upper left corner of the machine, and the second reflector is located at the left end of the beam. The No. 3 mirror is located on the top of the fixed part of the laser head, and the focusing mirror is located in the adjustable barrel in the lower part of the laser head). The laser light is reflected and focused by these lenses and emitted from the laser head. The lens is easily stained with dust or other contaminants, causing loss of the laser or damage to the lens. Do not remove the No. 1 and No. 2 lenses when cleaning them. Instead, carefully wipe the lens with the cleaning fluid along the center of the lens. Edge swivel wipe. The No. 3 lens and focusing lens need to be removed from the frame and wiped in the same way.
Note: Firstly, the lens should be wiped lightly, and the surface coating should not be damaged; secondly, the wiping process should be handled gently to prevent it from falling; thirdly, be sure to keep the concave face down when installing the focusing lens.

Rail cleaning
As one of the core components of the equipment, guide rails and linear shafts with the function of guiding and supporting. In order to ensure the machine has a higher processing accuracy, it requires its guide rails, straight lines have a high guide accuracy and good movement stability. During the operation of the equipment, a large amount of corrosive dust and fumes will be generated during the processing of the workpiece. The smoke and dust will be deposited on the surface of the guide rails and linear shafts for a long period of time, which will have a great influence on the processing accuracy of the equipment. Erosion points are formed on the surface of the linear axis of the guide rail, shortening the service life of the equipment. In order to make the machine work normally and ensure the processing quality of the product, we must make a good job of routine maintenance of guide rails and linear shafts. (Recommended to clean once every two weeks, and operate on the time that the equipment must be turned off, clean the water tank and replace the circulating water once a week)

Screw, coupling fastening
After working for a period of time, the movement system's screws and couplings will loosen and affect the smoothness of the mechanical movement. Therefore, in the operation of the machine, it is necessary to observe whether the transmission parts have abnormal noises or abnormal phenomena, and sturdy and maintain it timely. At the same time, the machine should use the tools to tighten the screws one by one. The first sturdiness should be about one month after the device is used.

Light path inspecting
The optical path system of the laser engraving machine is completed by the reflection of the mirror and the focusing of the focusing lens. There is no offset problem in the optical path of the focusing mirror, but the three mirrors are fixed by the mechanical part, and the offset is more impossible, although under normal circumstances will not be offset, it is recommended that users always check the light path is normal before each work.

Professional Laser Cutting Machine Manufacturer - OreeLaser